Функция инвертора при обрыве сигнала аналогового входа
У серии частотных преобразователей Danfoss VLT Micro Drive есть возможность установить параметр Функцию при тайм-ауте нуля.
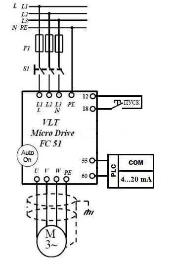
В случае, если источником задания является сигнал с контроллера 4-20 мА, либо 0-10 В, то можно настроить время тайм-аут нуля, а так же выполняемые действия частотником в случае потери сигнала на аналоговом входе.
|
|
Иммитировать сигнал контроллера 4-20 мА можно при помощи коллибратора. Например, подключить преобразователь частоты по 485 интерфейсу к программному обеспечению Easy Builder pro.
Для этого необходимо подать команду на пуск, изменить уставку. Сымитировать обрыв сигнала, а после этого преобразователь частоты останавливается до нуля Гц.
Активировать параметр 6-01, выбрав 1 . необходимо зафиксировать выход. Это означает, что если величина входного сигнала на аналоговом входе станет мене 50% от параметра 6-22 Минимальный ток 4 мА, преобразователь частоты продолжит работу на той же частоте.
Снова подать команду на пуск, изменить задание, теперь при обрыве сигнала, частота остается той же, включается выход реле с индикацией о предупреждении.


