Наличие и цену товара
уточняйте в день заказа
уточняйте в день заказа
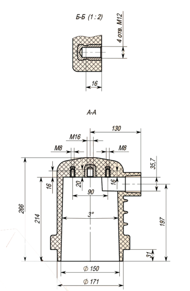
Полимерный изолятор проходной 35 кВ ИПЭЛ 35-023-00 УХЛ2 - надежное электротехническое устройство для обеспечения безопасной передачи высоковольтного тока. Производитель: "ИПЭЛ" (Беларусь). Изолятор предназначен для установки на проводе или воздушной линии электросетей напряжением до 35 кВ. Изолятор выполнен из высококачественных полимерных материалов, что обеспечивает оптимальную механическую прочность и устойчивость к атмосферным условиям. Технология производства соответствует современным стандартам безопасности и качества. Достоинства: - Высокая надежность в эксплуатации - Устойчивость к перепадам температуры и влажности - Долговечная изоляционная способность - Простота монтажа - Возможность поставки как оптом, так и в розницу Модель ИПЭЛ 35-023-00 относится к линейке проходных изоляторов УХЛ2 (температурный класс -60...+45°C), что делает ее универсальным решением для различных условий эксплуатации. Продавец готов обеспечить доставку товара по всей Беларуси, а также рассмотреть возможность поставки в другие страны. В каталоге представлена широкая выборка аналогичных изоляторов различной мощности и назначения. Для получения дополнительной информации о технических характеристиках и условиях покупки обращайтесь к продавцу напрямую.
| Характеристики | Испытательное пятиминутное напряжение промышленной частоты, кВ: 120, Длина пути утечки, мм: 468, Допустимая сила при растяжении вдоль оси, кН: 3,5 |
| Номинальное рабочее напряжение, кВ | 35 |
| Наибольшее рабочее напряжение, кВ | 40 |
| Вес, кг | 15 |
Характеристики
По запросу
Узнать цену
Наши менеджеры обязательно свяжутся с вамии уточнят условия заказа
Наличие и цену товара
уточняйте в день заказа
уточняйте в день заказа
Полимерный изолятор проходной 10 кВ ИПЭЛФ 10-5-045-40 УХЛ1 или УХЛ2 - это высококачественный электротехнический продукт для защиты электрических цепей от перегрузки и короткого замыкания. Изолятор выполнен из экструзионного полипропилена, что обеспечивает его прочность, долговечность и устойчивость к химическим воздействиям. Продукт имеет плоское квадратное сечение и рассчитан на напряжение до 10 кВ. Важные технические характеристики: - Проводимость: не более 50 пС/м - Тепловой коэффициент расширения: около 70х10^-6 м/град - Предел прочности на изгиб: минимум 60 МПа - Сопротивление изоляции: минимум 1 МОх/мм Использование: - В электрических распределительных станциях - На подстанциях до 10 кВ - В сетях связи и телекоммуникаций - В системах освещения Преимущества изолятора ИПЭЛФ 10-5-045-40: 1. Высокая надежность в эксплуатации 2. Возможность установки на различные виды проводов 3. Легкость монтажа и демонтажа 4. Долговечная герметичность при правильном монтаже Для покупки изолятора ИПЭЛФ 10-5-045-40 в Беларуси или по всей России доступны различные способы приобретения - как оптом, так и в розницу. Официальные дилеры предлагают быструю доставку товара по каталогу электротехнической продукции. При выборе производителя обращайте внимание на наличие сертификатов соответствия требованиям УХЛ (Ухловой класс). Важно учитывать условия монтажа и эксплуатации изолятора, чтобы обеспечить безопасную работу устройства в электрических сетях.
| Номинальный ток, A | 630 |
| Номинальное рабочее напряжение, кВ | 10 |
| Вес, кг | 5,0 |
Характеристики
По запросу
Узнать цену
Наши менеджеры обязательно свяжутся с вамии уточнят условия заказа
Наличие и цену товара
уточняйте в день заказа
уточняйте в день заказа
Изоляторы проходные 10 кВ ИПЭЛ 10-0,8-045 УХЛ2 представляют собой высококачественный электротехнический продукт, разработанный для надежного использования в электрических сетях переменного тока. Эти изоляторы предназначены для обеспечения безопасности при пропускании проводов высокого напряжения и имеют надежную конструкцию с использованием специальных материалов, обладающих отличными диэлектрическими свойствами. Модель ИПЭЛ 10-0,8-045 УХЛ2 разработана по новейшим технологиям и отвечает самым высоким требованиям к безопасности и надежности. Это изоляторы проходные имеют широкий спектр применения: от подключения к энергетическим сетям до организации подземных проводов в сложной географической местности. Предлагаемые изоляторы проходные отличаются высокой устойчивостью к температурным и механическим нагрузкам, что делает их идеальным выбором для использования как на открытых площадках, так и в помещениях. Они эффективно справляются с изоляцией высоковольтных проводов при работе под напряжением. Особенности модели: - Высокая прочность конструкций - Оптимальное соотношение веса и размеров - Долговечная служба - Надежная защита от коррозии - Удароустойчивость - Влагозащитные свойства Предложения по поставке: Изоляторы проходные 10 кВ ИПЭЛ 10-0,8-045 УХЛ2 можно приобрести как в розницу, так и оптом. Поставка осуществляется по всей территории Беларуси. Доставка осуществляется в удобное для заказчика время с учетом всех требований по транспортировке изделий. Распространение: Каталог продукции доступен на официальных сайтах поставщиков, а также можно найти подробную информацию о товаре через специализированные каталоги электротехнической техники. При необходимости, мы предоставляем возможность покупки товара с доставкой по всей стране.
| Номинальный ток, A | 800 |
| Номинальное рабочее напряжение, кВ | 10 |
Характеристики
По запросу
Узнать цену
Наши менеджеры обязательно свяжутся с вамии уточнят условия заказа
Наличие и цену товара
уточняйте в день заказа
уточняйте в день заказа
Изоляторы проходные 10 кВ ИПЭЛ 10-5-045 УХЛ2 представляют собой надежный и современный электротехнический продукт для применения в высоковольтных установках. Эти изоляторы проходные, произведенные в Беларуси, отличаются исключительным качеством исполнения и обеспечивают безопасную передачу электрического тока на напряжении 10 кВ. ИПЭЛ 10-5-045 УХЛ2 предназначен для использования в различных высоковольтных схемах, включая линии электропередачи и внутризаводские электросети. Особого внимания заслуживает его прочная конструкция, разработанная с учетом современных требований к безопасности и надежности. Эти изоляторы проходные можно приобрести как в розницу, так и оптом по выгодным ценам для различных потребностей - от промышленного производства до строительства и электрификации частных объектов. В каталоге представлены различные варианты комплектации и доставки. Благодаря современным технологиям производства и использованию качественных материалов, эти изоляторы проходные 10 кВ ИПЭЛ 10-5-045 УХЛ2 демонстрируют высокие показатели долговечности и надежности. Их широкое применение в электрических сетях делает их незаменимым элементом для обеспечения безаварийной работы любого электропроводящего оборудования. Заказывать товар можно круглосуточно через интернет-магазин, а также напрямую у производителя или представителей. Доставка осуществляется в различные регионы Беларуси и других стран по договорным условиям.
| Номинальное рабочее напряжение, кВ | 10 |
Характеристики
По запросу
Узнать цену
Наши менеджеры обязательно свяжутся с вамии уточнят условия заказа
Наличие и цену товара
уточняйте в день заказа
уточняйте в день заказа
Полимерный изолятор проходной 20 кВ ИПЭЛ 20-062-00 УХЛ2 - это современный электротехнический прибор для обеспечения надежного электрического соединения между кабельными линиями и силовыми сетями. Изолятор выполнен из высококачественного полиэтилена, который имеет отличные диэлектрические свойства и устойчив к воздействию погодных условий. Преимущества данного полимерного изолятора: - Высокая прочность при механическом воздействии - Устойчивость к температурным перепадам - Отличная диэлектрическая способность - Долговечный срок службы - Легкость монтажа и обслуживания ИПЭЛ 20-062-00 УХЛ2 предназначен для применения в различных электротехнических системах, включая силовые линии, подстанции и промышленные объекты. Изолятор обеспечивает безопасное прохождение электрического тока между различными кабельными линиями при напряжении до 20 кВ. Данный полимерный изолятор можно приобрести как в розницу, так и оптом через наш каталог. Доставка осуществляется по всей Беларуси и соседним странам. При необходимости наши специалисты помогут с выбором подходящего изолятора под конкретные требования заказчика. Полимерный изолятор проходной 20 кВ ИПЭЛ 20-062-00 УХЛ2 - это надёжное решение для обеспечения безопасности электросетей и надежности электропроводки.
| Характеристики | Испытательное пятиминутное напряжение промышленной частоты, кВ: 65 |
| Номинальное рабочее напряжение, кВ | 20 |
| Наибольшее рабочее напряжение, кВ | 24 |
| Вес, кг | 4,6 |
Характеристики
По запросу
Узнать цену
Наши менеджеры обязательно свяжутся с вамии уточнят условия заказа
Наличие и цену товара
уточняйте в день заказа
уточняйте в день заказа
Полимерный изолятор проходной 10 кВ ИПЭЛ 10-076-00 УХЛ2 представляет собой высококачественный технический продукт, который широко используется в электротехнических системах различного назначения. Данный изолятор отличается надежностью и долговечностью эксплуатации. Он произведен на современном оборудовании с использованием высокопрочных полимерных материалов, что обеспечивает его прочность и устойчивость к внешним воздействиям. Видеоиндикатор проходной изоляции ИПЭЛ 10-076-00 УХЛ2 позволяет визуально определять наличие пробега тока между фазами и землей, что является критическим показателем безопасности электроснабжения. Модель ИПЭЛ 10-076-00 УХЛ2 выпускается в соответствии с требованиями технических регламентов для электрооборудования, что обеспечивает его соответствие современным стандартам качества. Искусственно созданная диэлектрическая изоляция полимерного изолятора ИПЭЛ 10-076-00 УХЛ2 позволяет надежно сохранять электрические связи и предотвращать пробой тока между фазами, что критически важно для обеспечения безопасности электроснабжения. Модель ИПЭЛ 10-076-00 УХЛ2 имеет широкий круг применения: от промышленного до бытового использования. Это позволяет использовать ее в различных условиях эксплуатации и климатических зонах. Купить изолятор проходной 10 кВ ИПЭЛ 10-076-00 УХЛ2 можно как оптом, так и в розницу у официальных дилеров и представителей компании. Доставка осуществляется по всей территории страны, включая Беларусь, с возможностью получения заказа на складе покупателя. Модель ИПЭЛ 10-076-00 УХЛ2 широко представлена в каталоге компании, что делает ее удобной для поиска и приобретения. Выбрав изолятор проходной 10 кВ ИПЭЛ 10-076-00 УХЛ2, вы получите надежный технический продукт высокого качества, отвечающий всем современным требованиям безопасности электроснабжения. При выборе изолятора проходного 10 кВ важно учитывать условия эксплуатации и климатические факторы, что позволяет обеспечить максимальную защиту электрооборудования от непредвиденных поломок.
| Характеристики | Испытательное пятиминутное напряжение промышленной частоты, кВ: 42 |
| Номинальное рабочее напряжение, кВ | 10 |
| Наибольшее рабочее напряжение, кВ | 12 |
| Вес, кг | 2,7 |
Характеристики
По запросу
Узнать цену
Наши менеджеры обязательно свяжутся с вамии уточнят условия заказа
Наличие и цену товара
уточняйте в день заказа
уточняйте в день заказа
Полимерный изолятор проходной тупиковый 10 кВ ИПЭЛТ 10-077-10 УХЛ2 - это надежное электротехническое изделие для защиты цепей от возмущений и перегрузок. Этот высокотемпературный изолятор имеет отличные характеристики по диэлектрическим потерям, что обеспечивает ему долгий срок службы при широком диапазоне температур. Модель ИПЭЛТ 10-077-10 УХЛ2 оснащена надежными контактами и выполнена из высококачественной полимерной резины, прошедшей строгие испытания. Такой подход к производству гарантирует отличную изоляцию даже при экстремальных нагрузках. Технические характеристики: номинальное напряжение 10 кВ, температура применения от -60°C до +90°C, срок службы не менее 30 лет. Изолятор подходит для использования в электроподстанциях, на кабельных линиях и в других сетевых системах. Товар доступен для оптовых покупателей по каталогу компаний Беларуси, а также розничным клиентам через официальных дистрибьюторов. Доставка осуществляется в любой регион страны, включая крупные города. Купить изолятор можно как в крупных сетевых магазинах, так и через интернет-магазины, что значительно упрощает процесс покупки. Изолятор имеет все необходимые сертификаты соответствия, включая стандарты электропромышленности и требования пожарной безопасности. Этот выбор обеспечит надежную защиту вашей электрической системы на долгие годы.
| Характеристики | Испытательное пятиминутное напряжение промышленной частоты, кВ: 42 |
| Номинальное рабочее напряжение, кВ | 10 |
| Наибольшее рабочее напряжение, кВ | 12 |
| Вес, кг | 2,6 |
Характеристики
По запросу
Узнать цену
Наши менеджеры обязательно свяжутся с вамии уточнят условия заказа
Наличие и цену товара
уточняйте в день заказа
уточняйте в день заказа
Таблица исполнений изоляторов проходных ИПЭЛ 10-077-ХХ - это современный электрический прибор для обеспечения безопасности при работе с высокими напряжениями. Купить этот товар можно как оптом, так и в розницу на нашем каталоге. Изоляторы проходные используются для защиты человека от поражения током, когда требуется пересечение проводов высокого напряжения или установка новой техники. Они обеспечивают надежную изоляцию между различными участками электросети при проведении ремонтных работ, что является главным преимуществом данного оборудования. При выборе модели ИПЭЛ 10-077-XХ важно учитывать следующие характеристики: тип изоляции, рабочее напряжение, номинальное расстояние и температурный диапазон. Это позволит подобрать оптимальный вариант для конкретных условий использования. Доставка товара осуществляется по всей Беларуси, включая все крупные города и регионы. Важно отметить, что при заказе необходимо указать точный адрес получения и предоставить контактную информацию для своевременного оформления доставки. Все изоляторы проходные ИПЭЛ 10-077-XХ соответствуют действующим стандартам качества и имеют необходимые сертификаты. Они являются надежным выбором для профессионалов электромонтажного дела, что подтверждается множеством положительных отзывов. Следите за нашими акциями и специальными предложениями по купле изоляторов проходных ИПЭЛ 10-077-XХ в розницу. Заказ можно оформить на сайте или по телефону, а оплата производится при получении товара или передачи заказа для доставки. При необходимости дополнительной консультации насчет выбора модели или условий поставки не стесняйтесь обращаться к нашим специалистам - они всегда готовы помочь в решении любых вопросов.
| Характеристики | Испытательное пятиминутное напряжение промышленной частоты, кВ: 42 |
| Номинальное рабочее напряжение, кВ | 10 |
| Наибольшее рабочее напряжение, кВ | 12 |
| Вес, кг | 3,4 |
Характеристики
По запросу
Узнать цену
Наши менеджеры обязательно свяжутся с вамии уточнят условия заказа
Наличие и цену товара
уточняйте в день заказа
уточняйте в день заказа
Полимерный изолятор проходной 10 кВ ИПЭЛ 10-071-00 УХЛ2 - это современный высококачественный изолятор, разработанный для надежного электрического соединения проводов или кабелей в электросетях. Он предназначен для использования в сетях переменного тока частотой 50 Гц и напряжением до 10 кВ. Достоинства изолятора: - Высокая механическая прочность - Имеет оптимальную геометрическую форму - Хорошая электроизоляционная способность - Стабильные характеристики в широком диапазоне температур Использование: Подходит для монтажа на подстанциях, линиях электропередачи и распределительных сетях. Изделие идеально подходит как для использования в рознице, так и для оптовых закупок. Упаковка и логистика: - Изделия поставляются в упаковке, защищающей их от механических повреждений - Доставка осуществляется по всей территории Беларуси с учетом транспортных возможностей регионов Дополнительная информация: - Изолятор имеет маркировку УХЛ2, что указывает на его применение в условиях умеренного климата - Происходит из серии проходных изоляторов ИПЭЛ, известной своим качеством и надежностью Для получения подробной информации о наличии изолятора, условиях доставки или для оформления заказа можно связаться с представителями компании.
| Характеристики | Испытательное пятиминутное напряжение промышленной частоты, кВ: 42 |
| Номинальное рабочее напряжение, кВ | 10 |
| Наибольшее рабочее напряжение, кВ | 12 |
| Вес, кг | 5,7 |
Характеристики
По запросу
Узнать цену
Наши менеджеры обязательно свяжутся с вамии уточнят условия заказа
Наличие и цену товара
уточняйте в день заказа
уточняйте в день заказа
Полимерный изолятор проходной 10 кВ ИПЭЛ 10-062-00 УХЛ2 представляет собой высококачественное электрооборудование для защиты проводов от коррозии и повышения безопасности электросети. Изолятор изготовлен из полимерных материалов, которые обеспечивают надежную защиту провода и предотвращение его повреждений. Прочный корпус позволяет изолятору выдерживать высокие напряжения до 10 кВ, что делает его идеальным решением для различных электрических систем. Преимущества модели ИПЭЛ 10-062-00 УХЛ2: 1. Высокая прочность и долговечность 2. Возможность использования в различных условиях эксплуатации 3. Отличная теплоотдача, что позволяет избежать перегрева проводов 4. Компактные размеры, позволяющие устанавливать изоляторы даже в ограниченном пространстве Доставка товара осуществляется по всей Беларуси и другим регионам страны. Возможна продажа оптом как для малых, так и для крупных заказчиков. Каталог данного изолятора доступен на официальном сайте производителя. Этот продукт часто используется в инженерных компаниях, строительстве и других отраслях, где требуется защита электросети. Полимерный изолятор проходной ИПЭЛ 10-062-00 УХЛ2 можно купить как в розницу, так и оптом для обеспечения надежного функционирования всех электрических систем. При покупке этого товара не забудьте уточнить условия доставки и сроки поставки. Наличие товара на складе и возможность его получения в кратчайшие сроки - важные факторы при выборе поставщика.
| Характеристики | Испытательное пятиминутное напряжение промышленной частоты, кВ: 42 |
| Номинальное рабочее напряжение, кВ | 10 |
| Наибольшее рабочее напряжение, кВ | 12 |
| Вес, кг | 2,9 |
Характеристики
По запросу
Узнать цену
Наши менеджеры обязательно свяжутся с вамии уточнят условия заказа
Наличие и цену товара
уточняйте в день заказа
уточняйте в день заказа
Полимерный изолятор проходной тупиковый 10 кВ ИПЭЛТ 10-006-10 УХЛ2 - это надежная электротехническая продукция для обеспечения безопасной передачи электроэнергии. Измеримые размеры и форма конструкции позволяют эффективно использовать пространство в электрощитах. Изолятор отличается высокими техническими характеристиками, что подтверждает соответствие требованиям ГОСТ 1831-2006. Производитель гарантирует отсутствие дефектов и нарушений технологии изготовления продукции. Модель ИПЭЛТ 10-006-10 УХЛ2 предназначена для применения в электроустановках напряжением до 10 кВ. Экструзионная полимерная изоляция обеспечивает устойчивую защиту от коррозии и механических повреждений. Благодаря надежному дизайну и химическому составу материала, данное устройство имеет высокий коэффициент воздействия на электроизоляционные свойства. При этом изолятор демонстрирует превосходную стойкость к влиянию окружающей среды, включая влажность и перепады температур. В каталоге компании представлен широкий ассортимент аналогичных моделей, что позволяет подбирать оптимальное решение для конкретной задачи. Доставка осуществляется во все регионы Беларуси, включая крупные города и отдаленные области. Мы предлагаем купить изолятор ИПЭЛТ 10-006-10 УХЛ2 как в розницу, так и оптом. Наши специалисты помогут подобрать нужный тип продукции с учетом требуемых параметров и условий эксплуатации. При заказе товара клиенты получают гарантийные условия производителя, что гарантирует высокое качество и долгосрочную надежность изолятора. Наши партнеры осуществляют доставку по всей территории страны, включая крупные города и отдаленные районы.
| Номинальное рабочее напряжение, кВ | 10 |
| Вес, кг | 1,8 |
Характеристики
По запросу
Узнать цену
Наши менеджеры обязательно свяжутся с вамии уточнят условия заказа
Наличие и цену товара
уточняйте в день заказа
уточняйте в день заказа
Полимерный изолятор проходной 10 кВ ИПЭЛ 10-006-00 УХЛ2 - это современный высококачественный электротехнический элемент для защиты силовых цепей от перегрузок, скачков напряжения и коррозии. Измерительные приборы, анализаторы, тестирующие комплексы в Беларуси могут быть установлены благодаря этому проходному изолятору. Изделие изготовлено по технологии ИПЭЛ 10-006-00 УХЛ2, что гарантирует высокую механическую прочность и устойчивость к различным температурным режимам. Применение этого изолятора позволяет повысить надежность электрических сетей и существенно продлить срок их службы. Где купить ИПЭЛ 10-006-00 УХЛ2? Этот полимерный изолятор проходной доступен в каталоге Беларуси для оптовых покупателей. Напряжение 10000 В позволяет использовать его в сложных энергетических системах и промышленных объектах. Доставка осуществляется по всей территории страны как оптом, так и в розницу. Это делает изолятор ИПЭЛ 10-006-00 УХЛ2 наиболее востребованным среди покупателей электротехнических материалов. Важно отметить, что материалы проходного изолятора не требуют особого ухода и просты в эксплуатации. Изолятор ИПЭЛ 10-006-00 УХЛ2 идеально подходит для использования в энергетических сетях, промышленных объектах и других электрических установках. Его применение позволяет достигнуть высокого уровня надежности систем электроснабжения. Не стоит забывать о важном факторе - это возможность приобрести изолятор ИПЭЛ 10-006-00 УХЛ2 оптом, что существенно снижает стоимость за единицу. Это делает его доступным решением для всех категорий потребителей электротехнических материалов. В каталоге Беларуси представлены все необходимые документы и сертификаты качества изолятора ИПЭЛ 10-006-00 УХЛ2, что позволяет покупателю быть уверенным в качестве продукции.
| Номинальное рабочее напряжение, кВ | 10 |
| Вес, кг | 2,7 |
Характеристики
По запросу
Узнать цену
Наши менеджеры обязательно свяжутся с вамии уточнят условия заказа
Наличие и цену товара
уточняйте в день заказа
уточняйте в день заказа
Полимерный изолятор проходной 10 кВ ИПЭЛ 10-005-00 УХЛ2 - это надежный высоковольтный прибор, предназначенный для электроустановок. Изготовлен из прочного полимера, который обеспечивает отличную защиту от короткого замыкания и воздушных пробега. Использование этого изолятора позволяет эффективно снижать уровень радиационной мощности при прохождении электрического тока через высоковольтные линии. Важным преимуществом является его способность к долгосрочному сохранению влагостойкости, что делает его идеальным выбором для использования в различных электротехнических системах. Этот изолятор отлично подходит как для постоянного применения на высоковольтных сетях, так и для временных установок при монтаже новых электросетей. Его надежность подтверждается широким применением в различных отраслях: энергетике, промышленности, транспорте. Многие клиенты выбирают этот изолятор как оптимальное решение для своих потребностей в разные масштабы использования - и в розницу, так и оптом. Доставка осуществляется по всей Беларуси, что делает товар доступным для покупателей во всех регионах страны. В каталоге представлен полный спектр аналогичных изоляторов различного напряжения, позволяя клиентам подобрать наиболее подходящую модель под свои конкретные задачи. Доставка осуществляется на протяжении всего срока действия гарантии, что обеспечивает максимальную защиту интересов покупателя. Если вы ищете надежный высоковольтный изолятор для электроустановок, ИПЭЛ 10-005-00 УХЛ2 станет отличным выбором. Этот продукт не только соответствует всем техническим требованиям отрасли, но и обеспечивает максимально возможную защиту электротехнических систем при работе на высоких напряжениях. Применяется в энергетическом секторе, промышленности и других областях. Благодаря своему уникальному дизайну и высокому качеству обеспечивает надежную защиту электросетей на протяжении долгого времени эксплуатации. При покупке в розницу или оптом вы получаете официальную гарантию производителя, что делает этот изолятор привлекательной инвестицией для любых масштабов использования. Доставка по всей Беларуси осуществляется быстро и надежно с помощью официальных партнеров компании. Выбирая ИПЭЛ 10-005-00 УХЛ2 вы обеспечиваете максимальную безопасность вашего электроустановочного оборудования, что особенно важно в высоковольтных системах. Этот изолятор не только надежен, но и долговечен, что делает его отличным выбором для использования в различных отраслях экономики. В каталоге представлена полная информация о данном продукте, включая технические характеристики, область применения и условия эксплуатации. Если вы хотите купить надежный высоковольтный изолятор с гарантией качества - это ваш вариант!
| Номинальный ток, A | 3150 |
| Характеристики | Испытательное пятиминутное напряжение промышленной частоты, кВ: 45 |
| Номинальное рабочее напряжение, кВ | 10 |
| Наибольшее рабочее напряжение, кВ | 12 |
| Вес, кг | 7,63 |
Характеристики
По запросу
Узнать цену
Наши менеджеры обязательно свяжутся с вамии уточнят условия заказа
Наличие и цену товара
уточняйте в день заказа
уточняйте в день заказа
Полимерный изолятор проходной 3 кВ ИПЭЛ 3-030-00 УХЛ2 - это высококачественный электротехнический продукт для обеспечения безопасности и надежности электросетей. Изолятор изготовлен из особо прочного полимера, который способен выдерживать высокие температуры и механические нагрузки. Модель ИПЭЛ 3-030-00 УХЛ2 особенно востребована в Беларуси, где широко применяется для электрификации промышленных объектов. Каждый изолятор прошел строгий контроль качества и получил соответствующую документацию. Преимущества изолятора: - Высокая степень надежности - Долговечность и устойчивость к агрессивным средам - Простота установки - Отсутствие необходимости в дополнительном монтаже Полимерный изолятор можно купить оптом или в розницу по каталогу. Мы предоставляем услуги доставки по всей Беларуси, включая города Минск, Могилев и Гомель. Для получения подробной информации о ценах и условиях поставки обращайтесь к нашим менеджерам. Изолятор ИПЭЛ 3-030-00 УХЛ2 особенно подходит для: - Сетей переменного тока - Промышленных установок - Внутренней электросети зданий - Энергоснабжения промышленных предприятий Надеемся, наша продукция станет надежным выбором для вашего проекта. Мы обеспечим быструю доставку и качественный сервис.
| Номинальный ток, A | 3150 |
| Номинальное рабочее напряжение, кВ | 3 |
| Вес, кг | 3,8 |
Характеристики
По запросу
Узнать цену
Наши менеджеры обязательно свяжутся с вамии уточнят условия заказа
Наличие и цену товара
уточняйте в день заказа
уточняйте в день заказа
Полимерный изолятор проходной 10 кВ ИПЭЛС 10-024-00 УХЛ2 в сборе со стержнем - это высококачественный электротехнический продукт, специально разработанный для надежного обеспечения безопасности электросетей. Этот универсальный изолятор отлично подходит для использования как в розничной продаже, так и для оптовых заказов. Полимерный материал использован для изготовления высокопрочных элементов с отличными диэлектрическими свойствами. Изолятор имеет надежную конструкцию, которая позволяет обеспечить безопасное прохождение электрического тока при напряжении до 10 кВ. Особенно ценным преимуществом является возможность использования этого изолятора для различных типов проводки и соединений. Предлагаемый товар отличается: - Высокой надежностью и долговечностью - Возможностью установки на любую стандартную проводку - Простотой монтажа благодаря сбалансированной конструкции Мы предлагаем поставки этого продукта как в розничной, так и оптовом формате. Доставка осуществляется по всей территории страны, включая Беларусь. В каталоге представлен широкий выбор аналогичных изделий для подбора наиболее подходящего варианта. Полимерный изолятор проходной 10 кВ ИПЭЛС 10-024-00 УХЛ2 в сборе со стержнем станет надежным помощником на вашем производстве или при обслуживании электросетей. Для получения дополнительной информации и деталей о доставке свяжитесь с нашими менеджерами.
| Номинальный ток, A | до 1600 |
| Характеристики | Испытательное пятиминутное напряжение промышленной частоты, кВ: 42 |
| Номинальное рабочее напряжение, кВ | 10 |
| Наибольшее рабочее напряжение, кВ | 12 |
| Вес, кг | 4,92 |
Характеристики
По запросу
Узнать цену
Наши менеджеры обязательно свяжутся с вамии уточнят условия заказа
Наличие и цену товара
уточняйте в день заказа
уточняйте в день заказа
Полимерный изолятор проходной 10 кВ ИПЭЛ 10-024-13 УХЛ2 представляет собой надежное электротехническое устройство для безопасного подключения проводов на напряжение до 10 кВ. Изоляционный материал состоит из высококачественных полимерных компонентов, что обеспечивает долгосрочную защиту от воздушной диэлектрики. Данная модель разработана по современным технологиям и отвечает всем необходимым требованиям технического регламента Таможенного союза. Изолятор имеет прочное конструктивное исполнение с надежными резинометаллическими соединениями, что гарантирует стабильную работу в любых погодных условиях. ИПЭЛ 10-024-13 УХЛ2 широко применяется в промышленных электрических сетях, на производственных объектах и в энергетических предприятиях. Изолятор доступен для покупки как оптом, так и в розницу по каталогу официального поставщика. Удобная система доставки позволяет получать изоляторы 10 кВ в любую точку Беларуси в короткие сроки. Профессиональные консультанты помогут подобрать наиболее подходящий вариант под конкретные требования заказчика и предоставят необходимые сведения о технических характеристиках продукции.
| Характеристики | Испытательное пятиминутное напряжение промышленной частоты, кВ: 42 |
| Номинальное рабочее напряжение, кВ | 10 |
| Наибольшее рабочее напряжение, кВ | 12 |
| Вес, кг | 2,9 |
Характеристики
По запросу
Узнать цену
Наши менеджеры обязательно свяжутся с вамии уточнят условия заказа
Наличие и цену товара
уточняйте в день заказа
уточняйте в день заказа
Полимерный изолятор проходной 10 кВ ИПЭЛ 10-024-11 (12) (17) УХЛ2 - это надежное решение для электрических сетей повышенной напряженности. Технические характеристики: номинальное напряжение 11000 В, частота тока 50 Гц, изоляционная прочность 10 кВ, тип установки - проходной. Изделие изготовлено из высококачественных полимерных материалов, которые обеспечивают длительный срок службы и надежную защиту от электромагнитных помех. Ухловой класс - УХЛ2 (температура от -40°C до +70°C). Принадлежит к группе проходных изоляторов и предназначен для использования в высоковольтных линиях электропередачи, на подстанциях и в других системах электрического питания. Имеет отличную электроизоляционные свойства и высокую устойчивость к атмосферным условиям. Полимерный изолятор проходной 10 кВ ИПЭЛ 10-024-11 (12) (17) УХЛ2 широко распространен в Беларуси, где активно используется для модернизации электросетей. В каталоге компании представлен широкий ассортимент аналогичных изделий. Для покупки и доставки этого продукта обратитесь в нашу компанию. Мы предлагаем продажу оптом и в розницу, с возможностью подбора необходимых параметров для вашего проекта.
| Характеристики | Испытательное пятиминутное напряжение промышленной частоты, кВ: 42 |
| Номинальное рабочее напряжение, кВ | 10 |
| Наибольшее рабочее напряжение, кВ | 12 |
| Вес, кг | 2,9 |
Характеристики
По запросу
Узнать цену
Наши менеджеры обязательно свяжутся с вамии уточнят условия заказа
Наличие и цену товара
уточняйте в день заказа
уточняйте в день заказа
Полимерный изолятор проходной 10 кВ ИПЭЛ 10-024-00 УХЛ2 - это надежный комплект защитных средств для электросетей высокого напряжения. Предлагаемый изолятор произведен по современным технологиям и соответствует всем требованиям технических регламентов. Модель ИПЭЛ 10-024-00 УХЛ2 предназначена для защиты проводов от коррозии, механических повреждений и влияния внешних факторов. Изолятор отличается высоким качеством полимерной изоляции, которая обеспечивает надежную защиту на протяжении всего срока службы. Изделие соответствует стандартам УХЛ2, что гарантирует его долговечность при эксплуатации в условиях повышенной влажности и перепадов температуры. Модель ИПЭЛ 10-024-00 УХЛ2 широко используется в электрических сетях, подстанциях и на объектах энергетического комплекса. Полимерный изолятор проходной 10 кВ можно приобрести как в розницу, так и оптом. Доставка осуществляется по всей территории Беларуси, включая крупные города. Каталог изоляторов постоянно обновляется для обеспечения клиентов современными решениями. Надеемся на взаимовыгодное сотрудничество и благодарим за интерес к нашему продукту.
| Характеристики | Испытательное пятиминутное напряжение промышленной частоты, кВ: 42 |
| Номинальное рабочее напряжение, кВ | 10 |
| Наибольшее рабочее напряжение, кВ | 12 |
| Вес, кг | 2,9 |
Характеристики
По запросу
Узнать цену
Наши менеджеры обязательно свяжутся с вамии уточнят условия заказа
Наличие и цену товара
уточняйте в день заказа
уточняйте в день заказа
Полимерный изолятор проходной 10 кВ ИПЭЛ 10-2,5-002-00 УХЛ2 - современное высококачественное оборудование для электросетей. Предназначен для организации проходных соединений при прокладке кабельных линий на напряжении до 10 кВ. Изделие имеет оптимальные размеры и надежную конструкцию, что обеспечивает его длительный срок эксплуатации. Изолятор снабжен комплектом уплотнительных подушек, что гарантирует герметичность соединений и предотвращает утечку влаги. Материалы, применяемые при производстве, соответствуют требованиям ГОСТа и имеют высокую устойчивость к температурным перепадам и механическим нагрузкам. Доступен в продаже оптом и в розницу по всей Беларуси через официальный каталог поставщиков. Доставка осуществляется транспортными компаниями в обусловленные сроки, что обеспечивает максимально удобный процесс заказа и получения продукции.
| Номинальный ток, A | 630 |
| Характеристики | Испытательное пятиминутное напряжение промышленной частоты, кВ: 42, Прочность на изгиб, кН: 2,5, Длина пути утечки от точки А до точки В, мм: 230 |
| Номинальное рабочее напряжение, кВ | 10 |
| Наибольшее рабочее напряжение, кВ | 12 |
| Вес, кг | 2 |
Характеристики
По запросу
Узнать цену
Наши менеджеры обязательно свяжутся с вамии уточнят условия заказа

